想了解设备资料?报价?售后?请留言,速回电
厂家直销,留言立享本月优惠价免费提供环保政策、办厂手续、投资预算等资料
本文主要介绍了雷蒙磨分级机的调整要点,分级机的控制,分级机的转速指示调整,分级机常见故障及排除。
(3).jpg)
1. 调整要点
分级机在风量、风压一定的情况下,其转速快慢决定分级机分级的粒径大小 ,设备中采用YZT2型电磁调速异步电机传动,该电机由标准定型电机、测速发电机与电磁转差联合器组成,只要改变电磁联合器的电压,就能达到改变转速的要求。
2. 分级机的控制
分级机的控制,是由安装在控制柜门上的电磁滑差控制器与分级机的控制按钮来控制。开机时先按分级机起动按钮,使笼型电机部分首先运转,然后合上电磁滑差控制器电源开关,调节转速按钮,使分析机达到所要求的转速。
3. 分级机的转速指示调整
由于电磁调速电机的测速发电机每台特性不一致,使之实际转速与控制器上所指示的转速有较大差异,需自行调整,首先用转速表测出电机的实际转速,然后通过调节控制器面板上的"转速表校正"的电位器,使实际转速与指示仪表转速相吻合,经过调整后,磨机生产的粉料的粒度,其相对应的转速指示,即为分级机的实际转速(应注意在调试电机与分析机时应连接后开机)。
4. 常见故障及排除
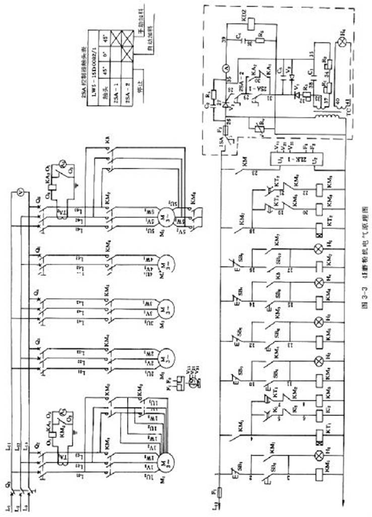
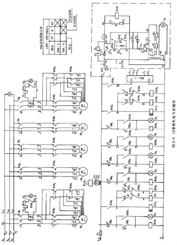
电机、电磁振动给料机及分级机的常见故障及排除方法见表3-1,3R、4R 和 5R磨粉机电气原理分别见图3-2、图3-3和图3-4。
表 3-1 常见故障及排除方法
| 发生故障部位 | 故障现象 | 故障原因 | 排除方法 |
| 定子9个出线头电机 | 电机不能起动或仅能低速运转 | (1)电器箱故障 (2)电线接线错接 | (1)查清电器箱内有关电机起动元件接线,排除故障 (2)检查电机与电气控制柜的接线,对号接线 |
| 电磁振动给料机 | 振动微弱,调节振幅电 位器作用不大或不起作 用 | (1)振动器控制箱有故障 (2)气隙中有异物 (3)固定连叉螺钉未松开 | (1)排除电器箱故障,特别检查R2、R3电阻器可动接点接触是否良好及检查输出电压 (2)清除异物 (3)松开螺钉(在振动器部位) |
| 电磁振动给料器 | 接通电源后,机器不振动 | (1)保险丝断 (2)线圈损坏 (3)接线断路 | (1)更换新保险丝 (2)修复或更换线圈 (3)接通线路 |
| 机器输送物料时振幅下降太大 | 料仓接口设计使料槽压仓太大,或料太湿 | 重新设计料仓接口,减少料仓对槽体压力,或对物料进行烘干处理 | |
| 分级机 | 离合器转速不能调节,仅能在高速运转 | (1)滑差电机空载 (2)速度反馈电位器调乱 | (1)加上负载,电机与分析机皮带应联接后试车(负载应大于10%的额定转矩; (2)按转差控制器说明书有关章节,转动控制器上"反馈量调节"电位器,调到满足要求 |
| 离合器只能在低速运转不能升速 | 一般反馈电位器调孔反馈量过大 | 按转差控制器说明书有关章节调节,减少反馈量 |


分级机价格详细垂询:0371-67772626
分级机厂家地址:郑州-国家高新技术产业开发区檀香路8号
想了解设备资料?报价?售后?请留言,速回电
厂家直销,留言立享本月优惠价免费提供环保政策、办厂手续、投资预算等资料
3分钟前 高先生:时产200吨制砂机报个价,处理鹅卵石
8分钟前 李先生:移动式破碎机怎么解决粉尘问题?
13分钟前 徐女士:需要制砂机,南宁能看制砂现场吗?
16分钟前 程先生:破碎生产线出个方案及报价,有什么售后服务?
22分钟前 郑女士:想了解时产500吨锤破,加工石灰石
31分钟前 吴先生:成套石头破碎设备有吗?给个详细产品资料
36分钟前 罗先生:每小时100吨左右的鄂破和反击破,推荐下型号
42分钟前 梁先生:膨润土磨到200目,用什么磨粉设备?
提交留言我们会第一时间回复您!
在浮选过程中,矿浆的pH值是必须要考虑的因素,因为它对浮选指标有很大的影响,对矿浆pH值的控制通常有两种方法:定值调节和跟踪矿石性质的变化及时调节pH值。
2012-12-11石膏烘干机的三个分区的控制方式相同,调整过程也相同,因此我们在此只给大家讲述一区的调整控制方式。但是原有的PID控制不能满足石膏烘干机温度控制全自动化的实现。
2012-11-05通过对分级机内压力影响分级粒径的理论分析和部分测量,压力对分级粒径的影响不大,浓度对分级精度的影响在初阶段时比较明显,当浓度稳定后,对分级精度的影响也趋于稳定。
2012-09-06球磨机的人机界面也被称作用户界面、它是交互式应用软件系统的门面。设计球磨机用户界面要充分考虑人的因素、界面的风格,可用的软、硬件技术以及应用本身产生的影响。人机界面的设计应该遵循一定的原则。
2012-07-07分级轮是分级机的核心组成部件,该部件对于物料的分散、分级起着非常关键的作用。在分级过程中,在分级轮的周围将会形成高速旋转的气一固混合两相流。
2012-07-02在转筒烘干机的安装与调整工作中要注意一下四个问题:筒体安装后倾斜度合乎要求、托轮安装要保证轴线与筒体中心线斜度相同、大齿轮安装应在筒体安装就位后进行和筒体窜动的调整
2012-04-09