想了解设备资料?报价?售后?请留言,速回电
厂家直销,留言立享本月优惠价免费提供环保政策、办厂手续、投资预算等资料
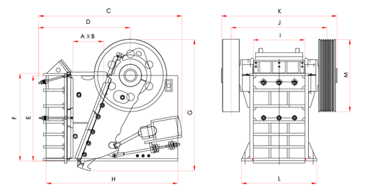
根据相关部门的统计,我国目前的破碎设备制造厂家已达一百多家,尤其是颚式破碎机的制造在国内的破碎设备生产中占有很大的比例,与此同时国内生产的颚式破碎机品种规格也逐渐丰富,目前已达有20余个,颚式破碎机的年产量已达一万余台,并且随着市场需求的不断增加,该数字还有上升的趋势。
.jpg)
国内破碎机成产厂家所生产的破碎机机架结构样式也多种多样,这其中也有些厂家生产的颚式破碎机的机械构架不够合理,不能够满足生产强度的需求,设备的使用寿命也不能达到预期效果,间接的造成了资源的浪费。这类问题出现的原因是由于该生产厂家的机械设计原理不够创新,不能够与时俱进,还停留在传统的设计制造方法中,不能与现在的生产环境和生产需求相结合。目前国内颚式破碎机的机重普遍高于国外同规格的破碎机,正如我们所知机架又是整个鄂式破碎机零部件的安装基础,其重量在整机中占有很大的比例,而且在破碎机的加工制造过程中其工作量也较大,所以机架结构设计不合理是使颚式破碎机机体重量增加的主要原因。

欧亿网页版机器对于双腔颚式破碎机机架的受载特性也进行了深入的研究,并获得了巨大的理论成果,这也将对我公司该设备结构设计具有重要的指导意义,而经过优化之后的颚式破碎机的结构不但可以使机架满足机器正常的工作要求,而且可以限度地节约制作材料,节约制造成本。另外,我公司的研究人员还利用有限元分析软件对颚式破碎机的机架进行准确的受载特性仿真研究,将为双腔颚式破碎机机架的设计开辟一条新途径,即基于虚拟仿真的设计方法。
上一篇:超导磁选设备得到应用及发展
下一篇:破碎理论的研究意义
想了解设备资料?报价?售后?请留言,速回电
厂家直销,留言立享本月优惠价免费提供环保政策、办厂手续、投资预算等资料
3分钟前 高先生:时产200吨制砂机报个价,处理鹅卵石
8分钟前 李先生:移动式破碎机怎么解决粉尘问题?
13分钟前 徐女士:需要制砂机,南宁能看制砂现场吗?
16分钟前 程先生:破碎生产线出个方案及报价,有什么售后服务?
22分钟前 郑女士:想了解时产500吨锤破,加工石灰石
31分钟前 吴先生:成套石头破碎设备有吗?给个详细产品资料
36分钟前 罗先生:每小时100吨左右的鄂破和反击破,推荐下型号
42分钟前 梁先生:膨润土磨到200目,用什么磨粉设备?
提交留言我们会第一时间回复您!
衬板是否设计合理,对球磨机的粉磨效率、使用寿命有很大的影响。现在大多数厂家生产的球磨机衬板使用寿命较短,磨耗较高。因此欧亿网页版机器决定从衬板结构参数上进行优化改进。
2015-03-14随着石灰窑在钢铁行业应用逐步推广,我们对传统的石灰窑设备进行了优化设计,本文就新型石灰窑的优化设计及其应用优势进行分析总结。
2015-03-01在生产中,为了提高破碎机的生产能力,减少齿板磨损,降低能耗,降低机械负荷,动颚的垂直行程要小,水平行程要大。动颚的行程与破碎机的结构参数有关,因此需要对破碎机的结构参数进行优化设计。
2013-01-13破碎机主要通过激振器使振动梁产生高频振动,带动破碎锤头对路面进行破碎。振动梁的锤头端振幅对于破碎效果重要,因此对其进行优化设计可提高破碎机的工作效率和破碎效果。
2012-12-25对于颚式破碎机目前的工作状态,我们有必要对于传统颚式破碎机的整体结构和设备功能进行进一步的优化设计,颚式破碎机的优化设计改造主要是为了更好地实现层压破碎
2012-10-13为了优化圆锥破碎机的腔型结构,我们在研究过程中,需要对于整机的生产率以及产品的粒度分布的模型都一起被考虑。根据以上所有的结论,在多目标优化模型中应该有三个目标函数。
2012-09-29