想了解设备资料?报价?售后?请留言,速回电
厂家直销,留言立享本月优惠价免费提供环保政策、办厂手续、投资预算等资料
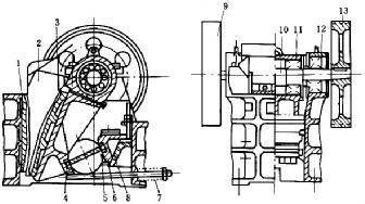
复摆型颚式破碎机是在颚式破碎机基础上研发生产的新型破碎机,其结构如图1-4所示,带有衬板的动颚通过滚动轴承直接悬挂在偏心轴上。而偏心轴又支承在机架的滚动轴承上。动颚的底部用推力板支撑在位于机架后壁的推力板座上。出料口的调节装置,是利用调节螺栓来改变楔铁的相对位置,从而使出料口的宽度得以调节。和简摆型颚式破碎机一样,具有拉杆、弹簧及调节螺栓组成的拉紧装置。由电动机带动带轮使偏心轴转动,动颚就被带动作复杂摆动,实现粉碎物料动作。

图1-4复摆型颚式破碎机
1-定颚(衬板);2-侧衬板;3-动颚(衬板);4-推力板支座;5-推力板;
6-推力板座;7-调节装置;8-后斜铁;9-飞轮;10-偏心轴;11-轴承;12-机架;13-带轮

图1-5颚式破碎机动颚的运动轨迹
复摆型颚式破碎机结构简单、优势突出,可对河卵石、石英石、辉绿岩、石膏、煤炭、铁矿石、铜矿石、焦炭、建筑垃圾等近千种物料进行破碎处理,因此被广泛应用于建材、建筑、水泥、水利、公路、铁路、煤矿、环保、冶金等诸多领域。
.jpg)
总之,复摆型颚式破碎机在破碎机行业拥有较高市场地位,如果您想了解复摆型颚式破碎机价格详情,可随时拨打免费热线(0371-67772626)进行咨询。
上一篇:回转窑结构、参数、分类及应用
下一篇:锤式破碎机工作原理及类型
想了解设备资料?报价?售后?请留言,速回电
厂家直销,留言立享本月优惠价免费提供环保政策、办厂手续、投资预算等资料
3分钟前 高先生:时产200吨制砂机报个价,处理鹅卵石
8分钟前 李先生:移动式破碎机怎么解决粉尘问题?
13分钟前 徐女士:需要制砂机,南宁能看制砂现场吗?
16分钟前 程先生:破碎生产线出个方案及报价,有什么售后服务?
22分钟前 郑女士:想了解时产500吨锤破,加工石灰石
31分钟前 吴先生:成套石头破碎设备有吗?给个详细产品资料
36分钟前 罗先生:每小时100吨左右的鄂破和反击破,推荐下型号
42分钟前 梁先生:膨润土磨到200目,用什么磨粉设备?
提交留言我们会第一时间回复您!
磷灰石磨粉多采用欧亿网页版机器生产的磷灰石球磨机,该设备是引进日本先进的球磨技术,并结合国内磷灰石分布情况及特点所研发生产的一款球磨机。该设备工艺先进、结构性能好,而且价格非常经济合理,因此在磷灰石加工业受到一致的认可和称赞。那么磷灰石球磨机拥有哪些性能优势呢?其价格又是多少呢?下面我们一起来看。
2016-08-04用于煤矸石研磨的设备主要是煤矸石球磨机,目前市场生产该设备的厂家不计其数,价格及优势参差不齐,令许多投资者眼花缭乱,不知如何抉择,接下来,针对煤矸石球磨机的价格及优势这两点内容为大家详细分析这款设备。
2016-07-16复摆颚式破碎机是一种常见的传统的破碎设备,复摆颚式破碎机的效率高源于其合适的参数,如钳角、动鄂水平行程、传动角、偏心距等。本文就来介绍这些主要参数的计算方法。
2013-01-17复摆细碎颚式破碎机是一种新型节能的破碎设备。影响其工作效率有多种因素,其中偏心轴的转速就是比较重要的一个影响因素。目前细碎颚式破碎机的偏心轴转速普遍偏低,为了提高偏心轴转速,强化细碎作用,并保证粒度军均匀,就需要知道偏心轴转速的计算方法。
2013-01-16在生产中,为了提高破碎机的生产能力,减少齿板磨损,降低能耗,降低机械负荷,动颚的垂直行程要小,水平行程要大。动颚的行程与破碎机的结构参数有关,因此需要对破碎机的结构参数进行优化设计。
2013-01-13细碎颚式破碎机是一种新结构的颚式破碎机,这种破碎机适用于中、小型矿山、建材、筑路、硅酸盐和化学工业等部门破碎物料。细颚式破碎机的结构和工作原理特点如下所示
2012-11-30