联系电话 0371-67772626

  1. 首页
  2. 新闻中心
  3. 产品新闻
  4. 简摆型颚式破碎机的结构

简摆型颚式破碎机的结构

作者:欧亿网页版机器 发布时间:2009-07-05 00:00:00 更新时间:2018-11-14 00:00:00

立即咨询

立即咨询了解设备报价及服务,工厂直销,享优惠折扣价!

颚式破碎机和简摆型颚式破碎机都是比较常见、用途广泛的效能高破碎机,均具有结构简单、操作方便、节能降耗、破碎比大、破碎效率高等特点,因此在市场上得到一致认可和肯定。本文主要对颚式破碎机和简摆颚式破碎机结构进行阐述。

颚式破碎机

颚式破碎机结构

颚式破碎机通用结构定颚、动颚上都装有衬板,衬板上有齿牙,有助于破碎物料。衬板的作用是防止定颚、动颚受到磨损。心轴的两端由轴承支承,其上安有连杆。连杆的连杆头与杆身分开制造。电动机通过V带带动带轮及偏心轴。在连杆下方的凹槽中,装有推力板支座,前推力板及后推力板分别支承于支座上。偏心轴除在一端安有带轮外,在另一端安装飞轮。

破碎腔的侧壁上安有用螺钉或楔条固定的锰钢侧衬板。固定颚衬板除用螺钉固定外,下端在机架上焊有钢板,上端有压板,使固定颚衬板不致上下活动。动颚衬板下方支承在动颚下部的凸台上,上方由楔铁压紧。

颚式破碎机结构图

在后推力板与后支座之间,有一组垫板,用来调整排料口宽度。增加垫板厚度,使推力板和动颚向左方推移,排料口减小。反之,减少垫板厚度,排料口将增大。为了防止破碎机超负荷运行导致破碎机损坏,在零件设计计算时,将后推力板制成薄弱的一个环节,过负荷时使它首先折断,以保护轴承及机器其他部分不受损害。通常后推力板用铸铁制成,并在中间钻孔或切槽来减小其断面尺寸,过载时它们首先折断。这种保险装置的缺点是出现事故后处理较为复杂,停车时间较长。

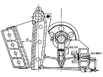
简摆型颚式破碎机结构

液压型简摆颚式破碎机结构(见图1-3) 该型简摆颚式破碎机的排料口、保险装置均由液压系统组合而成。液压调节排料口装置,利用液压油缸和柱塞来调节排料口的宽度,用手动油泵或电动油泵向液压缸供油。柱塞按要求将推力板推到所需位置后,插入垫板。在机器工作时,垫板承受后推力板的压力,而柱塞及液压油缸不再承受压力。

该型颚式破碎机有液压保险装置,液压连杆装置,这种连杆上有一个液压油缸和活塞,油缸与连杆上部(连杆头)连接,活塞与连杆下部(推力板支座)连接。正常工作时,油缸内充满压力油,活塞与油缸相当于整体连杆的一部分。当非破碎物进入破碎腔时,作用于连杆的拉力增加,油缸下部油室的油压随之增加。若油压超过组合阀内的高压溢流间所规定的压力时,压力油将通过高压溢流阀排出,活塞及推力板停止动作,动颚不摆动,从而起到保险作用。

 

液压简摆型颚式破碎机 
图 1-3 液压简摆型颚式破碎机

欧亿网页版机器是专业的颚式破碎机厂家,生产有各种类型的颚式破碎机、简摆颚式破碎机,型号齐全、质量可靠、价格低廉,欢迎大家前来咨询选购!

河南郑州颚式破碎机价格详细垂询:0371-67772626

想了解设备资料?报价?售后?请留言,速回电

厂家直销,留言立享本月优惠价

免费提供环保政策、办厂手续、投资预算等资料

  • 量身定制高性价比生产方案
  • 到厂考察设备,就近参观客户现场
  • EPC项目总承包服务,全权负责建厂
今日已有 23 人留言享受优惠报价
  • 3分钟前 高先生:时产200吨制砂机报个价,处理鹅卵石

  • 8分钟前 李先生:移动式破碎机怎么解决粉尘问题?

  • 13分钟前 徐女士:需要制砂机,南宁能看制砂现场吗?

  • 16分钟前 程先生:破碎生产线出个方案及报价,有什么售后服务?

  • 22分钟前 郑女士:想了解时产500吨锤破,加工石灰石

  • 31分钟前 吴先生:成套石头破碎设备有吗?给个详细产品资料

  • 36分钟前 罗先生:每小时100吨左右的鄂破和反击破,推荐下型号

  • 42分钟前 梁先生:膨润土磨到200目,用什么磨粉设备?

提交留言我们会第一时间回复您!

相关新闻

  • 大理石破碎机械设备推荐_大理石破碎生产线价格

    大理石是一种硬度比较高的矿石,化学性质较稳定,经破碎加工之后符合建筑用砂的标准,是一款比较受欢迎的机制砂原料,那么加工大理石需要用到哪些破碎设备呢?整条大理石破碎生产线的价格是多少?且看下文详细介绍。

    2020-09-12
  • 大型冲击式制砂机哪家好?附价格及图片

    大型冲击式制砂机是新型的制砂设备,也是机制砂行业中比较受欢迎的设备,今天就来给大家推荐一个好的大型冲击式制砂机生产厂家,顺便附上价格和设备的高清大图。

    2020-09-09
  • 时产200吨的破碎生产线配置大解析_附现场高清大图

    我国基础设施建设的不断推进,公路、铁路、建筑等各种工程项目如火如荼的进行着,使得砂石行业的发展也达到了一个高峰,越来越多的人把目光放到了砂石行业。近段时间,来我司咨询破碎生产线配置的人也是越来越多,既然如此,今天就拿时产200吨的破碎生产线来给大家打个样,介绍一下破碎生产线相关信息。

    2020-09-01
  • 颚式破碎机型号大全 提供价格及技术参数表

    颚式破碎机简称颚破、鄂破机,又名老虎口,由动颚和静颚两块颚板组成破碎腔,两颚运动而完成物料破碎作业,主要处理各种矿石与大块物料,设备型号大全,产量1-1160吨/每小时,其价格在1-90万元左右,下面提供详细技术参数表及工作视频。

    2020-05-30
  • 郑州颚式破碎机生产厂家

    用户在选购颚式破碎机时,首先要多考察几家厂家,全方面来考察该厂家的实力,信誉,规模等等,河南郑州鄂式破碎机厂家众多,用户在选择颚式破碎机械的时候要注意看厂家的实力,信誉,规模;其次要看厂家的产品质量,技术水平,成熟程度等等。

    2018-05-08
  • 鄂破机

    鄂破机为挤压型破碎设备,广泛应用在矿山石料破碎生产当中,为保证鄂破机的正常工作,除正确操作外,必须进行计划性维修,其中包括日常维护检查,小修、中修和大修,以下是欧亿网页版为您总结的鄂破工作原理、性能特点和使用维护要点。

    2011-01-23